奥赛罗密封首页 奥赛罗产品中心 技术支持 奥赛罗加盟合作 关于我们 联系我们
今日: 2026-1-21
  当前位置:网站首页 > 产品中心 > 单端面釜用机械密封 OTH-7802
  液压密封件
  聚四氟乙烯垫片/垫板
  盘根填料
  机械密封件
  碟形弹簧
  软填料
  油封水封/浮动油封
  石墨环
  无石棉垫片
  专用工具
销售电话
0311-87316999
13930472688
othello_china@163.com
zhang.2688@163.com
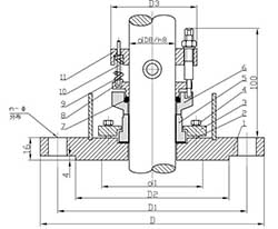
单端面釜用机械密封 OTH-7802

单端面釜用机械密封 OTH-7802
 

 1. 油盆 2. 静环垫 3. 静环压板 4. 六角螺钉 5. 静环 6. 动环 7. 动环密封圈

 8. 推环 9. 弹簧 10.导杆 11.弹簧座 12.调节螺杆 13.紧定螺钉

机械密封的结构特点

  单端面

  小弹簧

  非平衡型

机械密封的适用范围

  本机械密封广泛应用于各种泵、搅拌器、反应釜中。

机械密封的运行参数

  规格:30~150mm

  温度:-40℃~+180℃

  压力:≤0.5MPa

  线速度:≤4m/s

  轴向窜动量:±0.2mm

  介质:应用于酸、碱、油高分子悬浮液。

未列出的机械密封产品信息,请致电奥赛罗密封公司 0311-87316999

上一项:双端面釜用机械密封OTH-7806D    下一项:集装式金属波纹管机械密封(OTH-7701)
奥赛罗 电话:0311-87316999   地址:石家庄高新区湘江道319号    版权所有  ©  奥赛罗密封材料有限公司  
公司官方网址:aosailuo.com(主站)    aosailuo.net(液压)    aosailuo.cn(垫板/垫片)    aosailuo.com.cn(盘根)
冀ICP备11008809号-1
 冀公网安备13019902000691